船用日标铸钢20K30K40K截止阀

船用日标铸钢20K截止阀CB/T4004-2005 JIS F7413 F7414 CBM1051-81
  船用日标铸钢30K截止阀CB/T4020-2005 JIS F7315 F7316 CBM1122-82 CBM1121-81
船用日标铸钢40K截止阀CB/T4006-2005 JIS F7317 F7318 CBM1057-81
上海7188彩票阀门是生产船用日标铸钢20K30K40K截止阀厂家,可提供各种截止阀规格型号,图片,价格,尺寸,图纸。
产品咨询热线:18717746989
船用日标铸钢20K30K40K截止阀船用日标铸钢20K30K40K截止阀
1.结构比闸阀简单,制造与维修都较方便;
2.密封面不易磨损及擦伤,密封性好,启闭时阀瓣与阀体密封面之间无相对滑动,因而磨损与擦伤均不严重,密封性能好,使用寿命长;
3.启闭时,阀瓣行程小,因而截止阀高度比闸阀小,但结构长度比闸阀长;
4.启闭力矩大、启闭较费力,启闭时间较长;
5.流体阻力大,因阀体内介质通道较曲折,流体阻力大,动力消耗大;
6.介质流动方向 公称压力PN≤16MPa时,一般采用顺流,介质从阀瓣下方向上流;公称压力PN≥20MPa时,一般采用逆流,介质从阀瓣上方向下流.以增加密封件能。使用时,截止阀介质只能单方向流动,不能改变流动方向;
7.全开时阀瓣经常受冲蚀。

船用日标铸钢20K30K40K截止阀主要构件

铸钢截止阀主要由阀座、阀瓣、阀杆等构成。

船用日标铸钢20K30K40K截止阀适用范围

铸钢截止阀主要在制药、食品、化工、电力、水力、纺织、船舶、冶金、石油等行业的管道系统中使用,可实现对管道中介质的切断和接通。

截止阀分类

铸钢截止阀主要可分为平行式闸阀、楔式闸阀、升降式闸阀、旋转杆式闸阀、快速启闭闸阀、缩口闸阀、平板闸阀等。

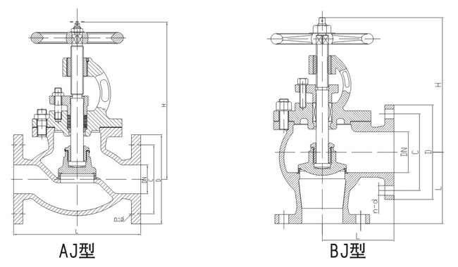
船用日标铸钢20K30K40K截止阀结构图与尺寸表

上海7188彩票船用阀门生产的船用日标铸钢20K30K40K截止阀可按中国GB、机械部JB、化工标准HG、美标API、ANSI、德标DIN、日本JIS、JPI、英标BS生产,企业积极实施ISO9001:2000质量认证体系,并严格按照各技术标准和图纸设计、生产、检验。以优异的品质,完善的服务和及时的交货赢得了众多造船、修船企业的一致信赖和好评。并可根据用户需要提供CCS、LR、ABS、GL、DNV、BV、NK、RINA等世界知名船级社的产品检验证书。7188彩票阀门拥有专业的生产设备和技术工程师,有能力按照各国标准以及各种行业标准生产制造优质船用阀门

船用日标铸钢20K30K40K截止阀

船用日标铸钢20K30K40K截止阀

声明:
本文中所有文字、数据、图片均只适用于参考。需要查看更多的船用日标铸钢20K30K40K截止阀性能参数、结构尺寸参数、价格等详情,或要求高质量印刷样本,请联系我们。

· 电话:18717746989
· 邮箱:sales@shczvalve.com
 
7188彩票订货须知: 
一、A:产品名称、型号、公称通径B:介质及温度、压力范围C:是否有附件、交货期、特殊要求等以便我们的为您正确选型。  
二、若已经由设计单位选定我公司的阀门型号,请您根据阀门参数直接与我们销售中心订购。  
三、当您使用的场合非常重要或环境比较复杂时,请您提供设计图纸和详细参数,我们的工程师专家会为您审核与分析。我们可以为您提供解决方案,包括设计、定做、成套、运行、服务。我们一直致力于阀门行业领域,为您提供阀门知识、服务、技术顾问。  
 
上海7188彩票船用阀门感谢您访问我们的网站【http://www.eljardiarfa.com】,如有任何疑问,您可以致电给我们,我们一定会尽心尽力为您提供优质的服务。本厂专业提供船用蝶阀船用闸阀船用止回阀船用调节阀、船用减压阀、船用呼吸阀、高速透气阀、船用快关阀、船用自闭阀、船用旋塞阀、船用消防阀、船用通海阀、船用防浪阀、船用滤器、船用空气帽、船用球阀船用截止阀、船用截止止回阀、船用阀组、船用截止阀箱、船用针型阀、船用电磁阀、船用隔膜阀、船用压力表阀等各类船用阀门,不锈钢阀门。


上一篇:没有了
上一篇:没有了