船用中心型电动蝶阀CB/T 4173

产品名称:船用中心型电动蝶阀
执行标准:CB/T 4173
公称通径:DN50~600
公称压力:0.6~1.6Mpa
上海7188彩票阀门是生产船用中心型电动蝶阀CB/T 4173厂家,可提供各种蝶阀规格型号,图片,价格,尺寸,图纸。
产品咨询热线:18717746989
船用中心型电动蝶阀CB/T 4173船用中心型电动蝶阀CB/T 4173
7188彩票船用中心型电动蝶阀是采用一体化结构,接入220VAC电源即可控制运转,也可加入控制模块,输入控制信号(4-20mADC或1-5VDC)进行调节控制。电动软密封蝶阀具有功能强,体积小,轻便宜人,性能可靠,配套简单元,流通能力大,对常温、干净介质,可选用阀板加软密封(橡胶圈、四氟圈)来减少泄漏(可达0.01%),高温高压工况可选用三偏心硬密封阀体。电动软密封蝶阀可广泛应用于食品,环保,轻工,石油,化工,教学设备,造纸,电力等到行业的工业过程自动控制系统中。由7188彩票阀门厂编制。

船用中心型电动蝶阀CB/T 4173设计标准

设计标准 GB/T3036;CB/T 4173
法兰连接尺寸 GB/T9113.1-2000;GB/T9115.1-2000;JB78;CB-67
结构长度 GB/T12221-1989
压力试验 GB/T13927-2000;JB/T9092-1999
船用日标中心型电动蝶阀 GB、CB、CBM、API、ISO、JIS等标准的船用阀门、管道附件、消防配件、舾装件及其它船舶部件。企业在阀门生产上拥有齐全的生产设备和完善的检测手段,聘用高级工程师和技术人员严把质量关,不断加大新产品的研制和开发力度,以满足日益发展的市场需求。企业积极实施ISO9001:2000质量认证体系,并严格按照国际GB、部件CB、JB、日标JIS、美标API、外贸标准CBM等技术标准和图纸设计、生产、检验。优异的品质,完善的服务和及时的交货赢得了众多造船、修船企业的一致信赖和好评。7188彩票船用阀门并可根据用户需要提供CCS、LR、ABS、GL、DNV、BV、NK、RINA等世界知名船级社的产品检验证书。

船用中心型电动蝶阀CB/T 4173电动执行器参数

SP系列精小型电动执行机构技术参数
阀   体   参   数
电   源
AC110、220、380V/DC24
公称通径
DN40~1200mm
输出力矩
50N·M~2000N·M
公称压力
PN0.6、1.0、1.6Mpa
任选功能
开关型、无源触点型、阀位信号反馈型、智能调节型
阀轴材质
碳素钢、304/316/316L不锈钢
动作范围
0~90°±5°
阀体材质
球墨铸铁、碳素钢、合金钢、不锈钢
动作时间
9秒/15秒/30秒/60秒
阀板材质
球墨铸铁、碳素钢、合金钢、不锈钢
环境温度
-30°~80°
阀座密封
橡胶等
手动操作
附带手柄操作
结构形式
中线对夹式
限  位
电气、机械二重限位
适用温度
≤120℃
防护等级
IP-67(防爆外壳:ExdⅡ BT4)
适用介质
水、气、油品及弱腐蚀性流体
输入信号
输入信号4-20mA,1-5V,0-10V;输出信号:4-20mA,1-5V,0-10V
特   点
零泄漏、寿命长

船用中心型电动蝶阀CB/T 4173基本参数

公称通径DN(mm)
40~1200
公称压力PN(MPa)
0.6
1.0
1.6
密封试验(MPa)
0.66
1.1
1.76
强度试验(MPa)
0.9
1.5
2.4
适用温度
丁腈橡胶:-40℃~90℃,氟橡胶:-20℃~180℃
适用介质
水、空气、天然气、油品及弱腐蚀性等流体介质
泄 漏 率
符合GB/T13927-92标准
驱动方式
蜗轮传动、电动、气动、液动

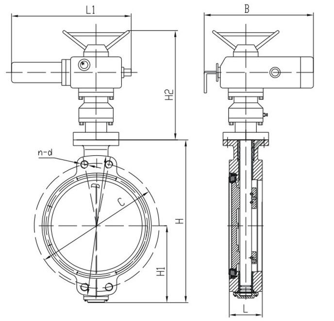
船用中心型电动蝶阀CB/T 4173结构图与尺寸表

船用中心型电动蝶阀CB/T 4173

船用电动中心型蝶阀

声明:
本文中所有文字、数据、图片均只适用于参考。需要查看更多的船用中心型电动蝶阀CB/T 4173性能参数、结构尺寸参数、价格等详情,或要求高质量印刷样本,请联系我们。

· 电话:18717746989
· 邮箱:sales@shczvalve.com
 
7188彩票订货须知: 
一、A:产品名称、型号、公称通径B:介质及温度、压力范围C:是否有附件、交货期、特殊要求等以便我们的为您正确选型。  
二、若已经由设计单位选定我公司的阀门型号,请您根据阀门参数直接与我们销售中心订购。  
三、当您使用的场合非常重要或环境比较复杂时,请您提供设计图纸和详细参数,我们的工程师专家会为您审核与分析。我们可以为您提供解决方案,包括设计、定做、成套、运行、服务。我们一直致力于阀门行业领域,为您提供船用阀门知识、服务、技术顾问。  
 
      感谢您访问我们的网站【www.shczvalve.com】,如有任何疑问,您可以致电给我们,我们一定会尽心尽力为您提供服务。本厂提供船用蝶阀船用闸阀船用止回阀船用调节阀、船用减压阀、船用呼吸阀、高速透气阀、船用快关阀船用自闭阀船用旋塞阀船用消防阀船用通海阀、船用防浪阀、船用滤器、船用空气帽船用球阀船用截止阀船用截止止回阀船用阀组、船用截止阀箱、船用针型阀、船用电磁阀、船用隔膜阀、船用压力表阀等各类船用阀门,不锈钢阀门。