船用螺旋法兰式蝶阀GB/T3036-94

执行标准:GB/T3036-94
公称通径:DN50~350
公称压力:0.6~1.6Mpa
上海7188彩票阀门是生产船用螺旋法兰式蝶阀厂家,可提供各种蝶阀规格型号,图片,价格,尺寸,图纸。
产品咨询热线:18717746989
船用螺旋法兰式蝶阀GB/T3036-94船用螺旋法兰式蝶阀GB/T3036-94
蝶阀是用圆盘式启闭件往复回转90°左右来开启、关闭或调节介质流量的一种阀门。蝶阀不仅结构简单、体积小、重量轻、材料耗用省、安装尺寸小、驱动力矩小、操作简便、迅速,并且还可以同时具有良好的流量调节功能和关闭密封特性,是近十几年来发展最快的阀门品种之一。蝶阀的使用非常广泛。其使用的品种和数量仍在继续扩大,并向高温、高压、大口径、高密封性、长寿命、优良的调节特性,以及一阀多功能发展。

船用螺旋法兰式蝶阀GB/T3036-94用途及特点

船用螺旋法兰式蝶阀GB/T3036-94适用于船舶、医药、化工、石油、电力、轻纺、造纸等给排水、气体管道上作调节流量和截流介质的作用,具有补偿管道热胀冷缩的功能。

其主要特点为:
设计新颖,合理,结构独特,重量轻,操作方便,启闭迅速;
船用螺旋法兰式蝶阀除了能作调节和截流作用,补偿管道温差所产生的热胀冷缩功能外,还能为安装更换、维修提供方便;
密封部位可调节更换,密封性能可靠等特点。

船用螺旋法兰式蝶阀GB/T3036-94采用标准

设计标准:GB/T3036-1994
法兰连接尺寸:GB/T9113.1-2000; GB/T9113.2-2000; GB/T9115.1-2000; GB/T9115.2-2000
压力试验:GB/T 13927-1992; JB/T 9092-1999

船用中心型法兰螺旋式蝶阀,生产标准:国标GB/CB、日标JIS、美标ANSI、德标DIN、公称压力:5K、10K、16K、PN、6PN1、0PN16、ANSI150、LB300LB,公称通径DN50-DN1200,阀体材质:球墨铸铁QT450、铸钢ZG230-450、不锈钢SUS、青铜BZ,阀板:不锈钢SUS、青铜BZ,阀座:丁晴橡胶NBR,聚四氟乙烯:PTFE、三元乙丙橡胶EPDM、氟橡胶FKM。

船用螺旋法兰式蝶阀GB/T3036-94主要参数

公称通径 DN 50~2000
公称压力 PN 0.6 1.0 1.6
试验压力 强度实验 0.9 1.5 2.4
密封实验 0.66 1.1 1.76
气密封实验 0.6 0.6 0.6
使用温度 ≤80℃
适应介质 空气、海水、蒸汽、煤气、油品等
驱动形式 手动、蜗杆蜗轮传动、气传动、电传动

船用螺旋法兰式蝶阀GB/T3036-94材料表

零件名称 材料
阀体 铸铁、铸钢、不锈钢铬、钼钢、合金钢
蝶板 铸钢、合金钢、不锈钢、铬钼钢
密封圈 橡胶、聚四氟、聚内脂、不锈钢
阀杆 2Cr13、不锈钢、铬钼钢
伸缩管 铸铁、铸钢、不锈钢、铬钼钢
填料 柔性石墨

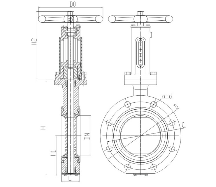
船用螺旋法兰式蝶阀GB/T3036-94结构图与尺寸表

船用螺旋法兰式蝶阀

船用螺旋法兰式蝶阀

声明:
本文中所有文字、数据、图片均只适用于参考。需要查看更多的船用螺旋法兰式蝶阀GB/T3036-94性能参数、结构尺寸参数、价格等详情,或要求高质量印刷样本,请联系我们。

· 电话:18717746989
· 邮箱:sales@shczvalve.com
 
7188彩票订货须知:
一、A:产品名称、型号、公称通径B:介质及温度、压力范围C:是否有附件、交货期、特殊要求等以便我们的为您正确选型。  
二、若已经由设计单位选定我公司的阀门型号,请您根据阀门参数直接与我们销售中心订购。  
三、当您使用的场合非常重要或环境比较复杂时,请您提供设计图纸和详细参数,我们的工程师专家会为您审核与分析。我们可以为您提供解决方案,包括设计、定做、成套、运行、服务。我们一直致力于阀门行业领域,为您提供船用阀门知识、服务、技术顾问。  
 
      感谢您访问我们的网站【www.shczvalve.com】,如有任何疑问,您可以致电给我们,我们一定会尽心尽力为您提供服务。本厂提供船用蝶阀船用闸阀船用止回阀船用调节阀、船用减压阀、船用呼吸阀、高速透气阀、船用快关阀船用自闭阀船用旋塞阀船用消防阀船用通海阀、船用防浪阀、船用滤器、船用空气帽船用球阀船用截止阀船用截止止回阀船用阀组、船用截止阀箱、船用针型阀、船用电磁阀、船用隔膜阀、船用压力表阀等各类船用阀门,不锈钢阀门。