其主要特点为:
设计新颖,合理,结构独特,重量轻,操作方便,启闭迅速;
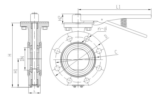
手柄法兰蝶阀除了能作调节和截流作用,补偿管道温差所产生的热胀冷缩功能外,还能为安装更换、维修提供方便;
密封部位可调节更换,密封性能可靠等特点。
船用手柄法兰蝶阀GB/T3036-94,生产标准:国标GB/CB、日标JIS、美标ANSI、德标DIN、公称压力:5K、10K、16K、PN、6PN1、0PN16、ANSI150、LB300LB,公称通径DN50-DN1200,阀体材质:球墨铸铁QT450、铸钢ZG230-450、不锈钢SUS、青铜BZ,阀板:不锈钢SUS、青铜BZ,阀座:丁晴橡胶NBR,聚四氟乙烯:PTFE、三元乙丙橡胶EPDM、氟橡胶FKM。
设计标准:GB/T3036-1994
法兰连接尺寸:GB/T9113.1-2000; GB/T9113.2-2000; GB/T9115.1-2000; GB/T9115.2-2000
压力试验:GB/T 13927-1992; JB/T 9092-1999
船用手柄法兰蝶阀,生产标准:国标GB/CB、日标JIS、美标ANSI、德标DIN、公称压力:5K、10K、16K、PN、6PN1、0PN16、ANSI150、LB300LB,公称通径DN50-DN1200,阀体材质:球墨铸铁QT450、铸钢ZG230-450、不锈钢SUS、青铜BZ,阀板:不锈钢SUS、青铜BZ,阀座:丁晴橡胶NBR,聚四氟乙烯:PTFE、三元乙丙橡胶EPDM。
| 公称通径 | DN | 50~2000 | ||
|---|---|---|---|---|
| 公称压力 | PN | 0.6 | 1.0 | 1.6 |
| 试验压力 | 强度实验 | 0.9 | 1.5 | 2.4 |
| 密封实验 | 0.66 | 1.1 | 1.76 | |
| 气密封实验 | 0.6 | 0.6 | 0.6 | |
| 使用温度 | ≤80℃ | |||
| 适应介质 | 空气、海水、蒸汽、煤气、油品等 | |||
| 驱动形式 | 手动、蜗杆蜗轮传动、气传动、电传动 | |||
| 零件名称 | 材料 |
|---|---|
| 阀体 | 铸铁、铸钢、不锈钢铬、钼钢、合金钢 |
| 蝶板 | 铸钢、合金钢、不锈钢、铬钼钢 |
| 密封圈 | 橡胶、聚四氟、聚内脂、不锈钢 |
| 阀杆 | 2Cr13、不锈钢、铬钼钢 |
| 伸缩管 | 铸铁、铸钢、不锈钢、铬钼钢 |
| 填料 | 柔性石墨 |


声明:
本文中所有文字、数据、图片均只适用于参考。需要查看更多的船用手柄法兰蝶阀GB/T3036-94性能参数、结构尺寸参数、价格等详情,或要求高质量印刷样本,请联系我们。
· 电话:18717746989
· 邮箱:sales@shczvalve.com
7188彩票订货须知:
一、A:产品名称、型号、公称通径B:介质及温度、压力范围C:是否有附件、交货期、特殊要求等以便我们的为您正确选型。
二、若已经由设计单位选定我公司的阀门型号,请您根据阀门参数直接与我们销售中心订购。
三、当您使用的场合非常重要或环境比较复杂时,请您提供设计图纸和详细参数,我们的工程师专家会为您审核与分析。我们可以为您提供解决方案,包括设计、定做、成套、运行、服务。我们一直致力于阀门行业领域,为您提供船用阀门知识、服务、技术顾问。
感谢您访问我们的网站【www.shczvalve.com】,如有任何疑问,您可以致电给我们,我们一定会尽心尽力为您提供优质的服务。本厂提供船用蝶阀、船用闸阀、船用止回阀、船用调节阀、船用减压阀、船用呼吸阀、高速透气阀、船用快关阀、船用自闭阀、船用旋塞阀、船用消防阀、船用通海阀、船用防浪阀、船用滤器、船用空气帽、船用球阀、船用截止阀、船用截止止回阀、船用阀组、船用截止阀箱、船用针型阀、船用电磁阀、船用隔膜阀、船用压力表阀等各类船用阀门,不锈钢阀门。