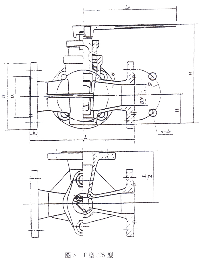
船用法兰青铜填料旋塞阀
船用法兰青铜填料旋塞阀
上海7188彩票阀门生产的船用阀门可按中国GB、机械部JB、化工标准HG、美标API、ANSI、德标DIN、日本JIS、JPI、英标BS生产,企业积极实施ISO9001:2000质量认证体系,并严格按照各技术标准和图纸设计、生产、检验。以优异的品质,完善的服务和及时的交货赢得了众多造船、修船企业的一致信赖和好评。并可根据用户需要提供CCS、LR、ABS、GL、DNV、BV、NK、RINA等世界知名船级社的产品检验证书。7188彩票阀门拥有专业的生产设备和技术工程师,有能力按照各国标准以及各种行业标准生产制造优质船用阀门。