船用闸阀型测深自闭阀 JIS F3019

产品名称:船用闸阀型测深自闭阀
产品型号:JIS F3019
公称通径:DN40~DN80
公称压力:1.0Mpa~1.6MPa
7188彩票是生产船用闸阀型测深自闭阀 JIS F3019厂家,可提供各种自闭阀规格型号,图片,价格,尺寸,图纸。
产品咨询热线:18717746989
船用闸阀型测深自闭阀 JIS F3019船用闸阀型测深自闭阀 JIS F3019
测深自闭阀需要有密封胶囊,在一定的深度,例如水压下,胶囊受压,体积缩小,内部压力增大,进而通过通道推动与其连接的阀门,阀门克服了可调弹簧的压力,进行关闭。从而完成设想的工作。

船用闸阀型测深自闭阀 JIS F3019实物图

船用闸阀型测深自闭阀 JIS F3019实物图船用闸阀型测深自闭阀 JIS F3019实物图

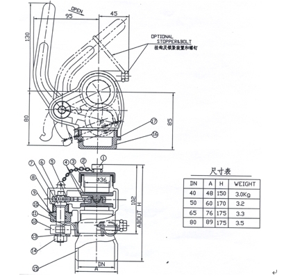
船用闸阀型测深自闭阀 JIS F3019基本参数

船用闸阀型测深自闭阀  JIS F3019
 
技术范围:
                                              
1.  工作介质:海水,蒸汽,油品。
2.  工作温度:常温
3.  连接方式:JIS法兰连接标准
 
DN
SIZE
D
H
40
1 1/2
48
150
50
2
60
170
65
2-1/2
76
175
80
3
89
175
 
主要零件材料、牌号
零件名称
Part name
材料  Material
名称 Name
牌号 Mark
阀体、阀盖(Body、Cover)
青铜(Bronze)
ZQSn10-21
阀盘、阀杆(Disk、stem)
青铜(Bronze)
QA19-21
填料(Fill in)
聚四氟乙烯
SFT-2
 声明:
本文中所有文字、数据、图片均只适用于参考。需要查看更多的船用闸阀型测深自闭阀 JIS F3019性能参数、结构尺寸参数、价格等详情,或要求高质量印刷样本,请联系我们。

· 电话:18717746989
· 邮箱:sales@shczvalve.com
 
7188彩票订货须知: 
一、A:产品名称、型号、公称通径B:介质及温度、压力范围C:是否有附件、交货期、特殊要求等以便我们的为您正确选型。  
二、若已经由设计单位选定我公司的阀门型号,请您根据阀门参数直接与我们销售中心订购。  
三、当您使用的场合非常重要或环境比较复杂时,请您提供设计图纸和详细参数,我们的工程师专家会为您审核与分析。我们可以为您提供解决方案,包括设计、定做、成套、运行、服务。我们一直致力于阀门行业领域,为您提供船用阀门知识、服务、技术顾问。  
 
      感谢您访问我们的网站【www.shczvalve.com】,如有任何疑问,您可以致电给我们,我们一定会尽心尽力为您提供服务。本厂提供船用蝶阀船用闸阀船用止回阀船用调节阀、船用减压阀、船用呼吸阀、高速透气阀、船用快关阀、船用自闭阀、船用旋塞阀、船用消防阀、船用通海阀、船用防浪阀、船用滤器、船用空气帽、船用球阀船用截止阀、船用截止止回阀、船用阀组、船用截止阀箱、船用针型阀、船用电磁阀、船用隔膜阀、船用压力表阀等各类船用阀门,不锈钢阀门。