D373H-16C高温蝶阀

产品名称:高温蝶阀
产品型号:D373H
公称通径:DN50~DN1000
公称压力:1.0Mpa~4.0MPa
7188彩票是生产D373H-16C高温蝶阀厂家,可提供各种蝶阀规格型号,图片,价格,尺寸,图纸。
产品咨询热线:18717746989
D373H-16C高温蝶阀1

D373H高温蝶阀

      D373H高温蝶阀采用一个“U”型不锈钢密封圈,该精密的弹性密封圈与经过抛光的蝶板三维偏心接触。解决了传统偏心蝶阀在启闭0°~10°瞬间密封面仍处于滑动接触摩擦的弊病,实现蝶板在开启瞬间密封面即分离关闭接触即密封的效果,达到延长使用寿命、密封性能最佳的目的。


产品名称: 高温蝶阀 产品型号: D373H
公称通径: DN50~DN1000 阀座密封: 合金、司太立、不锈钢
公称压力: 1.0Mpa~4.0MPa 连接方式: 对夹式、法兰式
适用温度: -20ºC~+150ºC~600ºC 驱动方式: 手动、蜗轮、电动、气动
阀体材质: 铸钢、不锈钢 制造标准: 国标GB、德国DIN、美国API、ANSI
适用介质: 水、油、蒸汽、气体、粉体、液体 生产厂家: 7188彩票

产品说明

D373H高温蝶阀采用一个“U”型不锈钢密封圈,该精密的弹性密封圈与经过抛光的蝶板三维偏心接触。解决了传统偏心蝶阀在启闭0°~10°瞬间密封面仍处于滑动接触摩擦的弊病,实现蝶板在开启瞬间密封面即分离,关闭接触即密封的效果,达到延长使用寿命、密封性能最佳的目的。因此被广泛地应用到介质温度≤600℃的冶金、电力、石油、化工、空气、煤气、可燃气体以及给排水等腐蚀性介质的管道上,是调节流量和截断流体的最佳装置。

产品特点

1、该蝶阀结构简单、紧凑、重量轻、易于安装和拆卸、维修方便;
2、本蝶阀采用不锈钢“U”型密封圈,具有一定的弹性无论在高温、低温的情况下,它与蝶板均具有优良的密封性;
3、本蝶阀的三维偏心距,经过严格的计算,“U”型密封圈与蝶板几乎无磨擦,使用寿命长,并具有越关越紧的功能;
4、蝶板密封面采用堆焊钴基硬质合金,密封面耐磨损,使用寿命长;
5、本蝶阀结构独特,“开关”仅需转动阀杆90°即可完成。操作灵活、方便、省力、不受介质压力的高低影响,密封性能可靠;
6、耐高温、耐低温、耐腐蚀性。

采用标准

设计标准 :GB/T12238-1989
结构长度:GB/T12221-1989
压力试验:GB/T13927-1992;JB/T9092-1999

技术参数

公称通径 DN(mm) 50~1200
公称压力 PN(MPa) 0.6 1.0 1.6 2.5 4.0
试验压力 强度试验 0.9 1.5 2.4 3.75 6.0
密封试验 0.66 1.1 1.76 2.75 4.4
气密封试验 0.6 0.6 0.6 0.6 0.6
适用介质 水、蒸气、油品、酸类腐蚀性等。
适用温度 碳钢 :-29℃~600℃ 不锈钢-40℃~600℃

主要零件材质

零件名称 材料
阀体 铸铁、铸钢、不锈钢、铬钼钢、合金钢
蝶板 铸钢、合金钢(镀硬铬)、不锈钢、铬钼钢
密封圈 不锈钢、聚内脂、抗磨材料
阀杆 2Cr13、1Cr13不锈钢、铬钼钢
填料 柔性石墨

三偏心特点及原理

1、偏离管道中心
2、偏离密封面中心
3、倾斜的锥形
当阀门开启时,蝶板与阀座在关闭时瞬间接触,利用蝶板偏心1、偏心2迅速脱离阀座,降低了密封副的磨损,磨擦力矩小,开启灵活。偏心锥面3,使阀门在开启或关闭时蝶板能通过阀座内孔,实现接触密封。另外,锥形蝶板的旋转半径大于密封副接触位置的旋转半径,故蝶板在阀门关闭时将出现越关越紧,能够实现自锁,防止蝶板过位。

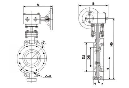
外形结构图

PN0.6MPa~PN1.0MPa连接尺寸

公称通径 结构长度
标准值
外形尺寸(参考值) 连接尺寸(标准值) 重量
(kg)
H H1 A B PN0.6MPa PN1.0MPa
毫米 英寸 L D1 Z-d D1 Z-d
50 2 43 112 350 180 200 110 4-14 125 4-18 11
65 2-1/2 46 115 370 180 200 130 4-14 145 4-18 12
80 3 49 120 380 180 200 150 4-18 160 8-18 14
100 4 56 138 420 180 200 170 4-18 180 8-18 16
125 5 64 164 460 180 200 200 8-18 210 8-18 26
150 6 70 175 555 270 280 225 8-18 240 8-22 28
200 8 71 208 605 270 280 280 8-18 295 8-22 44
250 10 76 243 680 270 280 335 12-18 350 12-22 68
300 12 83 283 800 380 420 395 12-22 400 12-22 85
350 14 92 310 835 380 420 445 12-22 460 16-22 121
400 16 102 340 915 450 470 495 16-22 515 16-22 140
450 18 114 380 960 480 490 550 16-22 565 20-26 190
500 20 127 410 1020 480 490 600 20-22 620 20-26 260
600 24 154 470 1225 480 490 705 20-26 725 20-30 380
700 28 165 550 1355 640 660 810 24-26 840 24-30 450
800 32 190 640 1470 640 660 920 24-30 950 24-33 650
900 36 203 710 1545 750 860 1020 24-30 1050 28-33 830
1000 40 216 770 1795 850 900 1120 28-30 1160 28-36 1050
1200 48 254 890 1965 850 900 1340 32-33 1380 32-39 1400

PN1.6MPa~PN2.5MPa连接尺寸

公称通径 结构长度
标准值
外形尺寸(参考值) 连接尺寸(标准值) 重量
(kg)
H H1 A B PN1.6MPa PN2.5MPa
毫米 英寸 L D1 Z-d D1 Z-d
50 2 43 112 350 180 200 125 4-14 125 4-18 11
65 2-1/2 46 115 370 180 200 145 4-14 145 8-18 12
80 3 49 120 380 180 200 160 8-18 160 8-18 15
100 4 56 138 420 180 200 180 8-18 190 8-22 17
125 5 64 164 460 180 200 210 8-18 220 8-26 27
150 6 70 175 555 270 280 240 8-22 250 8-26 29
200 8 71 208 605 270 280 295 12-22 310 12-26 45
250 10 76 243 680 270 280 355 12-26 370 12-30 69
300 12 83 283 825 380 420 410 12-26 430 16-30 86
350 14 92 310 900 380 420 470 16-26 490 16-33 122
400 16 102 340 980 450 470 525 16-30 550 16-36 141
450 18 114 380 1030 480 490 585 20-30 600 20-36 191
500 20 127 410 1105 480 490 650 20-33 660 20-36 260
600 24 154 470 1310 480 490 770 20-36 770 20-39 380
700 28 165 550 1435 640 660 840 24-36 875 24-42 450
800 32 190 640 1605 640 660 950 24-39 990 24-48 650
900 36 203 710 1745 750 860 1050 28-39 1090 28-48 830
1000 40 216 770 1885 850 900 1170 28-42 1210 28-56 1050
1200 48 254 890 2105 850 900 1390 32-48 1420 32-56 1400

PN4.0MPa连接尺寸

公称通径 结构长度
标准值
外形尺寸(参考值) 连接尺寸
标准值
H H1 A B PN40MPa
毫米 英寸 L D1 Z-d
50 2 43 112 350 180 200 125 4-14
65 2-1/2 46 115 370 270 280 145 8-18
80 3 49 120 380 270 280 160 8-18
100 4 56 138 420 270 280 190 8-22
125 5 64 164 460 380 420 220 8-26
150 6 70 175 555 380 420 250 8-26
200 8 71 208 605 450 470 320 12-30
250 10 76 243 680 450 470 385 12-33
300 12 83 283 825 450 470 450 16-33
350 14 92 310 900 480 490 510 16-36
400 16 102 340 980 480 490 585 16-39
450 18 114 380 1030 640 660 610 20-39
500 20 127 410 1105 640 660 670 20-42

D373H-16C高温蝶阀实拍图

D373H-16C高温蝶阀2D373H-16C高温蝶阀3D373H-16C高温蝶阀6D373H-16C高温蝶阀5

声明:D373H高温蝶阀】规格型号、结构尺寸由7188彩票提供,如何选择适用的D373H高温蝶阀产品,使之在工艺控制中安全可靠、经济适用,可致电我司销售部门及技术部门,我们将在最短的时间内为您解答!



上一篇:D71X不锈钢蝶阀
上一篇:D71X不锈钢蝶阀